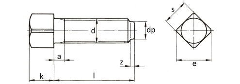
| d | M 5 | M 6 | M 8 | M 10 | M 12 | M 16 | M 20 | M 24 |
| P (pitch) | 0,8 | 1 | 1,25 | 1,5 | 1,75 | 2 | 2,5 | 3 |
| dp | 3,5 | 4 | 5,5 | 7 | 8,5 | 12 | 15 | 18 |
| k | 5 | 6 | 8 | 10 | 12 | 16 | 20 | 22 |
| a (max) | 2,4 | 3 | 4 | 4,5 | 5,3 | 6 | 7,5 | 9 |
| z | 1,25 | 1,5 | 2 | 2,5 | 3 | 4 | 5 | 6 |
| s | 5 | 6 | 8 | 10 | 13 | 17 | 22 | 24 |
| e | 6,5 | 8 | 10 | 13 | 17 | 22 | 28 | 32 |
| l | 8-40 | 8-45 | 10-55 | 16-60 | 20-90 | 40-120 | 50-140 | 55-140 |
| Material Types | - |
Steel (8.8) | |
| Coating Types |
- |
Electrolytically Plated (Zn, ZnNi) | |
| - | Hot Dip Galvanized (HDG) |
||
| - |
Zinc-Flake Coated (flZnyc, flZnnc) |